Profiel 60x60 4E SP (zwaar)

1.11.060060.43SP
€74,01

Verwachte levertijd: 2-3 werkdagen

  • Vakkundig advies van een specialist
  • Snelle levertijd door een grote voorraad
  • Meer dan 25 jaar ervaring

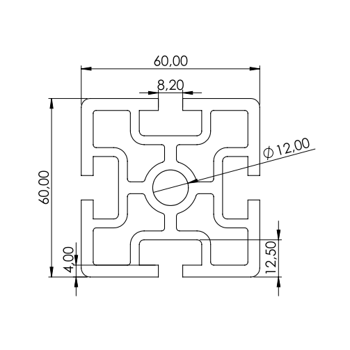
Profiel 60x60, 4E, SP - Zwaar profiel

Ons 60×60 mm aluminium profielsysteem met 4 open groeven (8,2 mm breed) is ontworpen voor zware constructietoepassingen zoals machineframes, transportstructuren en industriële omkastingen. De vier open groeven zijn gelijkmatig verdeeld over de zijden, wat zorgt voor optimale flexibiliteit bij het bevestigen van accessoires en koppelingen rondom het profiel. Dankzij de volledig open zijden is het profiel bijzonder geschikt voor toepassingen waarbij robuustheid en veelzijdige montageopties vereist zijn.

Het kerngat van 12 mm is geschikt om te tappen naar M14, of via een inschroefmoer te verkleinen naar bijvoorbeeld M8 voor montage van een zwenkwiel, stelvoet of andere toepassing. Ook kan bijvoorbeeld direct een M14-spindel voor een stelvoet of een hijsoog worden ingedraaid voor een stevige verbinding.

Het profiel is volledig compatibel met het MayTec profielsysteem en toepasbaar in soortgelijke modulaire constructies. Met ons systeem kunt u bovendien doorbouwen op andere aluminium profielsysteemmerken. Vraag gerust advies aan onze medewerkers voor de juiste koppelingen en toepassingen.

 

Artikelnummer : 1.11.060060.43SP
Materiaal : Aluminium
Maat : 60x60mm
Groef  : 4E (4 groeven)
Type : SP - Zwaar profiel
   
Gegevens  
Traagheidsmoment : Ix: 56,0 / Iy: 56,0
Weerstandmoment  : Wx: 18,7 / Wy: 18,7
Gewicht (kg/m) : 4.2

 

Samen ontwerpen & maatwerk
Bij Inducomp BV geloven we in samenwerking. Heeft u een idee, schets of concept voor een frame of constructie? Wij denken graag met u mee. Een eenvoudige potloodschets of een voorbeeld is voor ons al voldoende om aan de slag te gaan. Samen met u werken we het ontwerp uit tot een complete oplossing, inclusief technische tekening en offerte, geheel kosteloos.

Alle bewerkingen voeren wij zelf uit: zagen, boren, tappen, frezen, kameren  
Ook montage is mogelijk. Zo nemen wij u het hele proces uit handen, van idee tot realisatie met aluminium profielen.


Extra informatie:
 • Volle lengte bestaat uit 6 meter
 • Volle doos bestaat uit 6 lengtes
 • Op aanvraag boringen mogelijk
 • Alle bewerkingen worden gedaan in eigen huis


Materiaaleigenschappen:
Onze profielen zijn gemaakt van aluminium 6063 T66, een hoogwaardige legering die ook in de vliegtuigbouw wordt toegepast. Dit materiaal biedt uitstekende vormbaarheid bij het extruderen en een hoge corrosiebestendigheid.

Het profiel is geanodiseerd (E6 EV1) via elektrolytische oxidatie. Dit zorgt voor:

  • Langdurige bescherming tegen slijtage en invloeden van buitenaf
  • Eenvoudig onderhoud dankzij het gladde, harde oppervlak
  • Duurzaamheid: het aluminium is volledig recyclebaar

Elke profiel wordt na het extruderen en anodiseren gecontroleerd, zodat u altijd kunt rekenen op een constante, hoge kwaliteit.