Profiel 50x50, 3E L

1.11.050050.33L
€40,31

Verwachte levertijd: 8-12 weken

  • Vakkundig advies van een specialist
  • Snelle levertijd door een grote voorraad
  • Meer dan 25 jaar ervaring

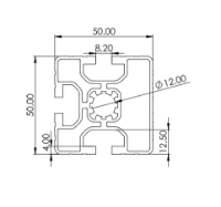
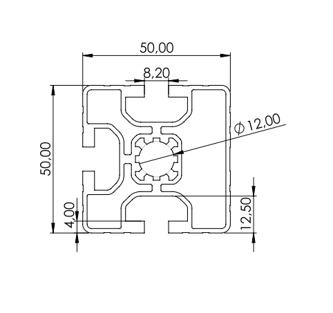
Profiel 50x50, 3E, L - Licht profiel

 

Artikelnummer : 1.11.050050.33L
Materiaal : Aluminium
Maat : 50x50mm
Groef  : 3E (3 groeven)
Type : L - Licht profiel
   
Gegevens  
Traagheidsmoment
Weerstandmoment  :
Gewicht (kg/m) : 1.9


Extra informatie:
 • Volle lengte bestaat uit 6 meter
 • Volle doos bestaat uit 6 lengtes
 • Op aanvraag boringen mogelijk
 • Alle bewerkingen worden gedaan in eigen huis

Advies nodig?

Heeft u vragen en/of advies nodig?