Profiel 40x40 2E Eck Licht

1.11.040040.22LP
€22,24

Verwachte levertijd: 2-3 werkdagen

  • Vakkundig advies van een specialist
  • Snelle levertijd door een grote voorraad
  • Meer dan 25 jaar ervaring

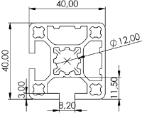
Profiel 40x40 2E Eck LP - Licht profiel

Ons 40×40 mm aluminium profielsysteem met 2 open groeven (8,2 mm breed) naast elkaar en 2 gesloten zijden aan de tegenoverliggende zijde is ideaal voor toepassingen waarbij esthetiek en functionaliteit samenkomen. Dankzij de hoekvormige groefpositie is het profiel geschikt voor frames, omkastingen en constructies waarbij één zijde volledig gesloten moet blijven, bijvoorbeeld voor wandmontage of afwerking in cleanrooms. De gesloten zijden zorgen voor een strak uiterlijk en extra bescherming tegen vuil en stof, terwijl de open groeven compatibel zijn met standaard accessoires voor snelle montage.
 
Het kerngat van 12 mm is geschikt om te tappen naar M14, of via een inschroefmoer te verkleinen naar bijvoorbeeld M8 voor montage van een zwenkwiel, stelvoet of andere toepassing. Ook kan bijvoorbeeld direct een M14-spindel voor een stelvoet of een hijsoog worden ingedraaid voor een stevige verbinding.
 
Het profiel is volledig compatibel met het MayTec profielsysteem en toepasbaar in soortgelijke modulaire constructies. Met ons systeem kunt u bovendien doorbouwen op andere aluminium profielsysteemmerken.
 
Vraag gerust advies aan onze medewerkers voor de juiste koppelingen en toepassingen.

 
Artikelnummer : 1.11.040040.22LP
Materiaal : Aluminium
Maat : 40x40mm
Groef  : 2E (2 open groeven)
Type : LP (licht profiel)
   
Gegevens  
Traagheidsmoment : Ix: 9.9 / Iy:9.9
Weerstandmoment  : Wx: 4.9 / Wy: 4.9
Gewicht (kg/m) : 1.5


Samen ontwerpen & maatwerk
Bij Inducomp BV geloven we in samenwerking. Heeft u een idee, schets of concept voor een frame of constructie? Wij denken graag met u mee. Een eenvoudige potloodschets of een voorbeeld is voor ons al voldoende om aan de slag te gaan. Samen met u werken we het ontwerp uit tot een complete oplossing, inclusief technische tekening en offerte, geheel kosteloos.

Alle bewerkingen voeren wij zelf uit: zagen, boren, tappen, frezen, kameren. Ook montage is mogelijk.
Zo nemen wij u het hele proces uit handen, van idee tot realisatie met aluminium profielen.


Extra informatie:
 • Volle lengte bestaat uit 6 meter
 • Volle doos bestaat uit 8 lengtes
 • Op aanvraag boringen mogelijk
 • Alle bewerkingen worden gedaan in eigen huis

Aluminium kwaliteit
Onze profielen zijn gemaakt van aluminium 6063 T66, een hoogwaardige legering die ook in de vliegtuigbouw wordt toegepast. Dit materiaal biedt uitstekende vormbaarheid bij het extruderen en een hoge corrosiebestendigheid.

Het profiel is geanodiseerd (E6 EV1) via elektrolytische oxidatie. Dit zorgt voor:
  • Langdurige bescherming tegen slijtage en invloeden van buitenaf
  • Eenvoudig onderhoud dankzij het gladde, harde oppervlak
  • Duurzaamheid: het aluminium is volledig recyclebaar
Elke profiel wordt na het extruderen en anodiseren gecontroleerd, zodat u altijd kunt rekenen op een constante, hoge kwaliteit.

Advies nodig?

Heeft u vragen en/of advies nodig?

Product specificaties
Attribuut naam Attribuut waarde
Montagegroef E = (16x40 - 40x40 - 40x80 - 40x120 - 40x160 - 45x45 - 45x90 - 50x50 - 50x100 - 50x150 - 60x60 - 80x80 - 80x120 - 80x160 - 100x100 - 120x120)
Afmeting 40x40
Legering 6063 T66
Anodisatie E6 EV1 10µm
Groefmaat (breedte) E3 - 8.2mm