Profiel 30x30 1F LP

1.11.030030.13LP
€16,74

Verwachte levertijd: Op aanvraag

  • Vakkundig advies van een specialist
  • Snelle levertijd door een grote voorraad
  • Meer dan 25 jaar ervaring

 

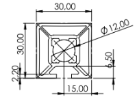
Profiel 30x30, 1F, LP - Licht profiel

Ons 30×30 mm aluminium profiel met 1 F-groef (8,2 mm breed) is een compacte en afgewerkte oplossing voor lichte constructies. De enkele open groef bevindt zich aan één zijde van het profiel, terwijl de overige drie zijden gesloten zijn. Deze configuratie is ideaal voor toepassingen waarbij slechts beperkte uitbreidbaarheid nodig is, maar een nette visuele afwerking gewenst is.

De gesloten zijden zorgen voor extra stabiliteit en beschermen tegen vuil en beschadiging. Dankzij het vierkante formaat is dit profiel breed inzetbaar in interieurbouw, lichte frames en afwerkingen waarbij design en eenvoud samenkomen.

Het kerngat van 12 mm is geschikt om te tappen naar M14, of via een inschroefmoer te verkleinen naar bijvoorbeeld M8 voor montage van een zwenkwiel, stelvoet of andere toepassing. Ook kan bijvoorbeeld direct een M14-spindel voor een stelvoet of een hijsoog worden ingedraaid voor een stevige verbinding.

Het profiel is volledig compatibel met het MayTec profielsysteem en toepasbaar in soortgelijke modulaire constructies. Met ons systeem kunt u bovendien doorbouwen op andere aluminium profielsysteemmerken. Vraag gerust advies aan onze medewerkers voor de juiste koppelingen en toepassingen.

 

Artikelnummer : 1.11.030030.13LP
Materiaal : Aluminium
Maat : 30x30mm
Groef  : 1F (1 groef)
Type : LP - Licht profiel
   
Gegevens  
Traagheidsmoment : Ix: 3.1 / Iy:3.1
Weerstandmoment  : Wx: 2.1 / Wy: 2.1
Gewicht (kg/m) : 0.90

 

Samen ontwerpen & maatwerk
Bij Inducomp BV geloven we in samenwerking. Heeft u een idee, schets of concept voor een frame of constructie? Wij denken graag met u mee. Een eenvoudige potloodschets of een voorbeeld is voor ons al voldoende om aan de slag te gaan. Samen met u werken we het ontwerp uit tot een complete oplossing, inclusief technische tekening en offerte, geheel kosteloos.

Alle bewerkingen voeren wij zelf uit: zagen, boren, tappen, frezen, kameren  
Ook montage is mogelijk. Zo nemen wij u het hele proces uit handen, van idee tot realisatie met aluminium profielen.


Extra informatie:
 • Volle lengte bestaat uit 6 meter
 • Volle doos bestaat uit 10 lengtes
 • Op aanvraag boringen mogelijk
 • Alle bewerkingen worden gedaan in eigen huis


Aluminium Kwaliteit:
Onze profielen zijn gemaakt van aluminium 6063 T66, een hoogwaardige legering die ook in de vliegtuigbouw wordt toegepast. Dit materiaal biedt uitstekende vormbaarheid bij het extruderen en een hoge corrosiebestendigheid.

Het profiel is geanodiseerd (E6 EV1) via elektrolytische oxidatie. Dit zorgt voor:

  • Langdurige bescherming tegen slijtage en invloeden van buitenaf
  • Eenvoudig onderhoud dankzij het gladde, harde oppervlak
  • Duurzaamheid: het aluminium is volledig recyclebaar

Elke profiel wordt na het extruderen en anodiseren gecontroleerd, zodat u altijd kunt rekenen op een constante, hoge kwaliteit.

 

Product specificaties
Attribuut naam Attribuut waarde
Montagegroef F = (20x10 - 20x30 - 30x30 - 30x60 - 30x100 - 30x150)
Afmeting 30x30
Legering 6063 T66
Anodisatie E6 EV1 10µm
Groefmaat (breedte) F - 8.3mm

Advies nodig?

Heeft u vragen en/of advies nodig?