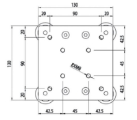
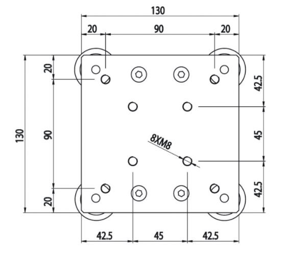
Sledeplaat 45x90

4.221.001
€140,80 excl. BTW
Verwachte levertijd: Op aanvraag

  • Vakkundig advies van een specialist
  • Snelle levertijd door een grote voorraad
  • Meer dan 25 jaar ervaring

Advies nodig?

Heeft u vragen en/of advies nodig?