Profiel 20x20 4H LP

1.10.020020.43LP
€8,98

Verwachte levertijd: 2-3 werkdagen

  • Vakkundig advies van een specialist
  • Snelle levertijd door een grote voorraad
  • Meer dan 25 jaar ervaring

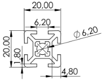
Profiel 20x20, 4H, LP - Licht profiel

Ons 20×20 mm aluminium profielsysteem met 4 H-groeven (6,2 mm breed) is ontworpen voor lichte constructies en compacte toepassingen. Dankzij de vier open groeven is het profiel veelzijdig inzetbaar voor bijvoorbeeld kleine frames, behuizingen of lichte machinebouw. De groeven zijn gelijkmatig verdeeld over de zijden, wat zorgt voor een symmetrische uitstraling en eenvoudige montage vanuit meerdere richtingen.

Het kerngat van 6,2 mm is geschikt om te tappen naar M8 draad, bijvoorbeeld voor montage van een zwenkwiel, stelvoet of andere toepassing. Ook kan direct een M8-spindel worden ingedraaid voor een stevige verbinding.

Het profiel is volledig compatibel met het MayTec profielsysteem en toepasbaar in soortgelijke modulaire constructies. Met ons systeem kunt u bovendien doorbouwen op andere aluminium profielsysteemmerken. Vraag gerust advies aan onze medewerkers voor de juiste koppelingen en toepassingen.

 

Artikelnummer : 1.10.020020.43LP
Materiaal : Aluminium
Maat : 20x20mm
Groef  : 4H (4 groeven)
Type : LP - Licht profiel
   
Gegevens  
Traagheidsmoment  : Ix: 0.8 / Iy: 0.8
Weerstandmoment  : Ix: 0.8 / Iy: 0.8 
Gewicht (kg/m) : 0.9

 

Samen ontwerpen & maatwerk
Bij Inducomp BV geloven we in samenwerking. Heeft u een idee, schets of concept voor een frame of constructie? Wij denken graag met u mee. Een eenvoudige potloodschets of een voorbeeld is voor ons al voldoende om aan de slag te gaan. Samen met u werken we het ontwerp uit tot een complete oplossing, inclusief technische tekening en offerte, geheel kosteloos.

Alle bewerkingen voeren wij zelf uit: zagen, boren, tappen, frezen, kameren  
Ook montage is mogelijk. Zo nemen wij u het hele proces uit handen, van idee tot realisatie met aluminium profielen.


Extra informatie:
 • Volle lengte bestaat uit 6 meter
 • Volle doos bestaat uit 10 lengtes
 • Op aanvraag boringen mogelijk
 • Alle bewerkingen worden gedaan in eigen huis


Aluminium Kwaliteit:
Onze profielen zijn gemaakt van aluminium 6063 T66, een hoogwaardige legering die ook in de vliegtuigbouw wordt toegepast. Dit materiaal biedt uitstekende vormbaarheid bij het extruderen en een hoge corrosiebestendigheid.

Het profiel is geanodiseerd (E6 EV1) via elektrolytische oxidatie. Dit zorgt voor:

  • Langdurige bescherming tegen slijtage en invloeden van buitenaf
  • Eenvoudig onderhoud dankzij het gladde, harde oppervlak
  • Duurzaamheid: het aluminium is volledig recyclebaar

Elke profiel wordt na het extruderen en anodiseren gecontroleerd, zodat u altijd kunt rekenen op een constante, hoge kwaliteit.

 

Product specificaties
Attribuut naam Attribuut waarde
Montagegroef H = (20x20 - 20x40)
Groefmaat (breedte) E3 - 8.2mm, H - 6.2mm
Afmeting 20x20
Legering 6063 T66
Anodisatie E6 EV1 10µm

Advies nodig?

Heeft u vragen en/of advies nodig?