Vergrendelwiel met een schroefdraad met Ø63.
Voor gemakkelijke beweging en positionering van trolleys, banken en assemblages.
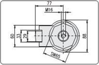
Voor alle complete maten kunt u deze tabel raadplegen.

Product specificaties
| Attribuut naam |
Attribuut waarde |
|
Gewicht
|
1380.0 g |
|
Materiaal
|
GD-Al, rubber, GD-Al, rubber |
|
Schroefdraad
|
M16 |
|
Diameter
|
ø63 |
|
Maximale kracht
|
5000N - 500kg |