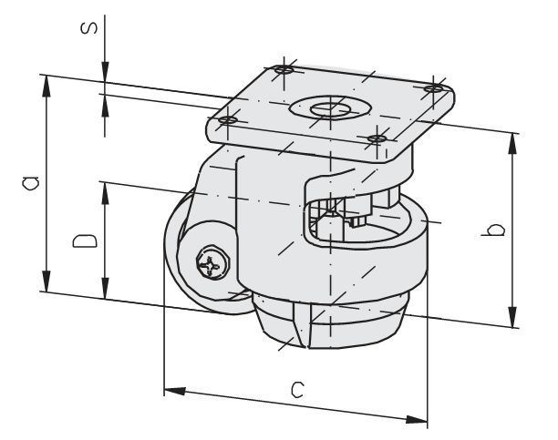
Vergrendelwiel met een montageplaat met Ø50.
Voor gemakkelijke beweging en positionering van trolleys, banken en assemblages.
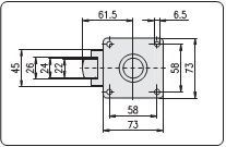
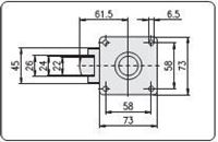
Voor alle complete maten kunt u deze tabel raadplegen.

Product specificaties
| Attribuut naam |
Attribuut waarde |
|
Gewicht
|
760.0 g |
|
Materiaal
|
GD-Al, rubber, GD-Al, rubber |
|
Diameter
|
Ø50 |
|
Maximale kracht
|
2500N - 250kg |