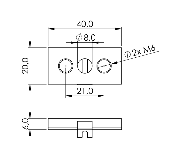
Schuifmoer zwaar, 2xEM6

1.31.6E2M6
€1,32
*
Verwachte levertijd: 2-3 werkdagen

  • Vakkundig advies van een specialist
  • Snelle levertijd door een grote voorraad
  • Meer dan 25 jaar ervaring

Inschruifmoer voor een E groef, voor een dubbele moer-type verbinding.

Product specificaties
Attribuut naam Attribuut waarde
Montagegroef E = (16x40 - 40x40 - 40x80 - 40x120 - 40x160 - 45x45 - 45x90 - 50x50 - 50x100 - 50x150 - 60x60 - 80x80 - 80x120 - 80x160 - 100x100 - 120x120)
Gewicht 33.8 g
Materiaal Verzinkt staal
Schroefdraad M6
Maximale kracht 10.0 Nm

Product Downloads

Advies nodig?

Heeft u vragen en/of advies nodig?