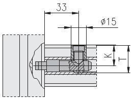
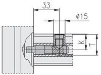
Standaard verbinding 90º, 50-F Ø12

1.21.5F2
€3,22
Verwachte levertijd: Op aanvraag

  • Vakkundig advies van een specialist
  • Snelle levertijd door een grote voorraad
  • Meer dan 25 jaar ervaring

Standaard verbinding voor de verbinding tussen een 50 en F profiel.

Advies nodig?

Heeft u vragen en/of advies nodig?