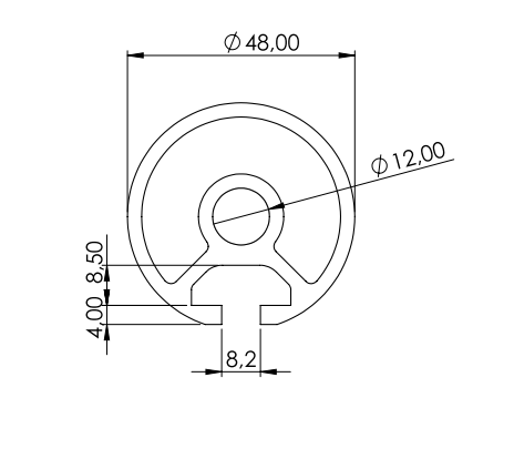
Profiel 48, rond, 1E SP

1.11.048R00.10SP
€33,35
Verwachte levertijd: Op aanvraag

  • Vakkundig advies van een specialist
  • Snelle levertijd door een grote voorraad
  • Meer dan 25 jaar ervaring

Profiel 48, rond, 1E SP

 

Artikelnummer : 1.11.048R00.10SP
Materiaal : Aluminium
Maat : 48 rond
Groef  : 1E (1 groef)
Type : SP - Zwaar profiel
   
Gegevens  
Traagheidsmoment :
Weerstandmoment  :
Gewicht (kg/m) : 1.8


Extra informatie:
 • Volle lengte bestaat uit 6 meter
 • Volle doos bestaat uit 6 lengtes
 • Op aanvraag boringen mogelijk
 • Alle bewerkingen worden gedaan in eigen huis

Advies nodig?

Heeft u vragen en/of advies nodig?