Profiel 40x40, 2E Soft LP

1.11.040040.21LP
€25,10

Verwachte levertijd: 2-3 werkdagen

  • Vakkundig advies van een specialist
  • Snelle levertijd door een grote voorraad
  • Meer dan 25 jaar ervaring

 

Profiel 40x40 2E Soft LP - Licht profiel

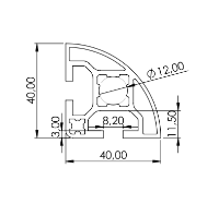
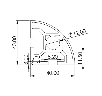
Ons aluminium profiel systeem is geschikt voor een breed scala aan constructie en montage toepassingen. Dit 40x40 profiel soft met 2 montage groeven en is kwartrond met een dichte zijde. Mede door de afmetingen en de groeven met een breedte van 8,2mm, is dit een veel gebruikt profiel voor kasten of en dakrekken. Geschikt voor een groot aantal toepassingen waaronder: machinebouw, cleanrooms, productie lijnen, afschermingen en bedrijfsinrichting.

De kern van het profiel heeft een diameter van 12mm, waardoor deze te tappen is naar een M14 schroefdraad. Deze kan d.m.v. een insert verlopen worden naar bijvoorbeeld een M8 schroefdraad. Ook is het mogelijk hier direct een spindel van M14 in te draaien voor een goede, stevige basis.

Een van de grote voordelen is dat dit modulaire profiel systeem naadloos uitgewisseld kan worden met het MAYTEC profielsysteem.

Wij van Inducomp BV helpen we u graag naar de beste oplossing voor uw toepassing. Een pootloodschets is voor ons al genoeg om te beginnen aan een project. Wij doen dit geheel kosteloos, inclusief uitwerken van de tekening en de offerte.

Alle bewerkingen worden gedaan in eigen huis. Van het op maat zagen van de profielen en het boren van de gaten voor het verbindersysteem, tot aan het frezen van groeven en kameren van grote gaten. Ook voor assemblage (montage) bent u bij ons aan het juiste adres. Wij ontzorgen u in dit hele proces.

Artikelnummer : 1.11.040040.21LP
Materiaal : Aluminium
Maat : 40x40mm
Groef  : 2E (2 groeven)
Type : LP - Licht profiel
   
Gegevens  
Traagheidsmoment : Ix: 6,4 / Iy: 6,4
Weerstandmoment  : Wx: 3,8 / Wy: 3,8
Gewicht (kg/m) : 1.2

 

Samen ontwerpen & maatwerk
Bij Inducomp BV geloven we in samenwerking. Heeft u een idee, schets of concept voor een frame of constructie? Wij denken graag met u mee. Een eenvoudige potloodschets of een voorbeeld is voor ons al voldoende om aan de slag te gaan. Samen met u werken we het ontwerp uit tot een complete oplossing, inclusief technische tekening en offerte, geheel kosteloos.

Alle bewerkingen voeren wij zelf uit: zagen, boren, tappen, frezen, kameren  
Ook montage is mogelijk. Zo nemen wij u het hele proces uit handen, van idee tot realisatie met aluminium profielen.


Extra informatie:
 • Volle lengte bestaat uit 6 meter
 • Volle doos bestaat uit 8 lengtes
 • Op aanvraag boringen mogelijk
 • Alle bewerkingen worden gedaan in eigen huis


Materiaaleigenschappen:
Onze profielen zijn gemaakt van aluminium 6063 T66, een hoogwaardige legering die ook in de vliegtuigbouw wordt toegepast. Dit materiaal biedt uitstekende vormbaarheid bij het extruderen en een hoge corrosiebestendigheid.

Het profiel is geanodiseerd (E6 EV1) via elektrolytische oxidatie. Dit zorgt voor:

  • Langdurige bescherming tegen slijtage en invloeden van buitenaf
  • Eenvoudig onderhoud dankzij het gladde, harde oppervlak
  • Duurzaamheid: het aluminium is volledig recyclebaar

Elke profiel wordt na het extruderen en anodiseren gecontroleerd, zodat u altijd kunt rekenen op een constante, hoge kwaliteit.