Profiel 20x40 4H SP (zwaar)

1.10.020040.44SP
€23,55
Verwachte levertijd: 8-12 weken

  • Vakkundig advies van een specialist
  • Snelle levertijd door een grote voorraad
  • Meer dan 25 jaar ervaring

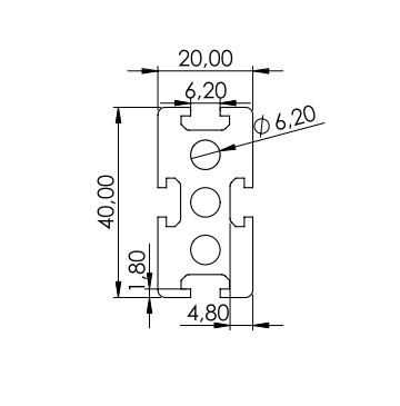
Profiel 20x40, 4H, SP - Zwaar profiel

 

Artikelnummer : 1.10.020040.44SP
Materiaal : Aluminium
Maat : 20x40mm
Groef  : 4H (4 groeven)
Type : SP - Zwaar profiel
   
Gegevens  
Traagheidsmoment :
Weerstandmoment  :
Gewicht (kg/m) : 1.30


Extra informatie:
 • Volle lengte bestaat uit 6 meter
 • Volle doos bestaat uit 10 lengtes
 • Op aanvraag boringen mogelijk
 • Alle bewerkingen worden gedaan in eigen huis